Appendix B - Enclosure and PCB Drawings [U3 Datasheet]
Various drawings follow. CAD drawings of the U3 attached to the bottom of this page (DWG, DXF, IGES, STEP).
The square holes on the back of the enclosure are for DIN rail mounting adapters (TE Connectivity part #TKAD).




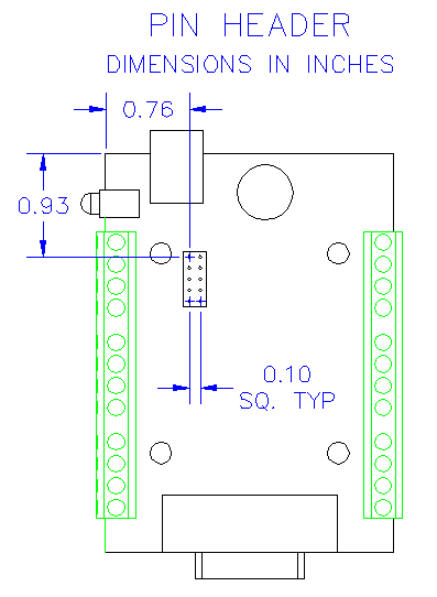
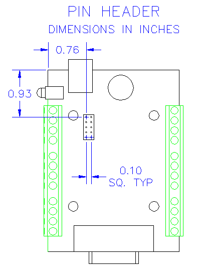
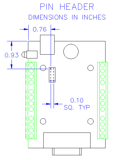
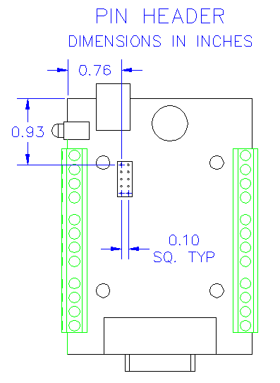
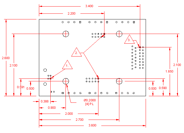
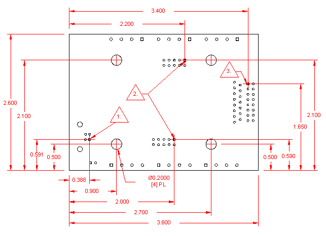
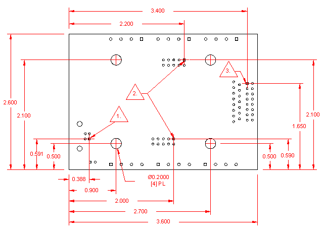
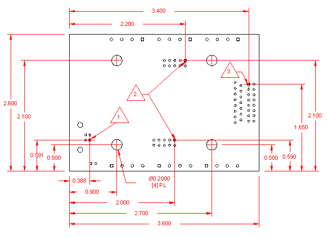
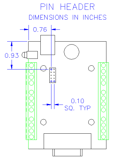
U3 OEM PCB Dimensions

Notes on U3 OEM PCB Dimensions
USB, PIN1
OEM 2x5 HEADER, 0.100" PITCH, PIN 1
OEM 2X8 HEADER, 0.100" PITCH, PIN 1
More Details
See the OEM page for details on connector pin-headers, holes, power supply information, part options, and more.
Common neutral format CAD models are provided below. Right-click and select the "Save link as..." option to download STEP files.
Files
U3_PCBA_Parasolid-20201207.zip