EI-1040 Datasheet (Discontinued)
Production Status: NLA (no longer available). The EI-1040, manufactured by Electronic Innovations Corporation, was discontinued in 2023.
Description
The EI-1040 is made by EIC. It is a dual programmable gain instrumentation amplifier with a precision reference output for bridge excitation. Gains are digitally selected at values of 1, 10, 100, and 1000. Four TTL or CMOS- compatible address lines individually select the amplifier gains.
The EI-1040 is a common accessory for the LabJack U12. For the U3 or UE9 the LJTick-InAmp is more commonly used. The U6/T7 have an in-amp built-in, but if an external in-amp is needed the LJTick-InAmp is usually the best choice.
Applications of this device are for signal conditioning and amplification of low-level signals such as thermocouples and transducers. This device is also used in conditioning signals to be transmitted over a long distance to single ended receivers.
The EI-1040 requires +5 volts DC at a nominal 0.1 amp. An internal DC to DC converter supplies an output of +15 and –15 volts nominal. The EI-1040 consists of 2 Burr-Brown/TI PGA204 amplifiers and one DCP010515DPB DC to DC converter.
A 4.096 volt reference is provided for connection to a bridge or other device requiring excitation. The maximum allowable current draw from this source is 5 ma.
The EI-1040 can be attached to the LabJack by simply connecting the power and amplifier outputs to the LabJack. When connecting the EI-1040 to the LabJack, the LabJack should be powered down prior to making the connection. After the connection is made then the combination can be powered up.
The gain of the EI-1040 can be programmed by the LabJack by connecting the gain select inputs GSA1, GSA2, GSB1, and GSB2 to the LabJack digital outputs. The configuration for the gain select is shown below:
Gain | Terminal | Terminal |
| GSA1 or B1 | GSA2 or B2 |
1 | 0 | 0 |
10 | 1 | 0 |
100 | 0 | 1 |
1000 | 1 | 1 |
0 => -15 to +0.8 volts => GND In, GND, or a DIO set to output-low.
1 => +2 to +15 volts => +5V In, VS from LabJack, or a DIO set to output-high.
Example: To set channel B to a gain of x100, you can jumper GSB1 to GND In and jumper GSB2 to +5V In.
It should be noted that when the EI-1040/LabJack is powered from limited power sources such as notebook computers, bus-powered hubs, etc., there may not be enough current to supply both devices. A message from the computer should tell the user of this condition.
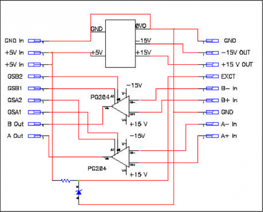
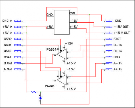
A functional block diagram of the EI-1040 is shown below.

The following table describes the function of the EI-1040 terminals:
Table 1. EI-1040 terminal information
Label | Description | Label | Description |
|
|
|
|
GND In | Power Source Ground | GND | Signal Ground |
+5 In | 5 Volt From Power Source | -15V Out | -15 Volt User at 8 mA* |
+5 In | Spare 5 Volt Terminal | +15V Out | +15 Volt User at 8 mA* |
GSB2 | Gain State B2 | EXCT | 4.096 Volt for Excitation ** |
GSB1 | Gain State B1 | B- In | B Amp Minus Input |
GSA2 | Gain State A2 | B+ In | B Amp Plus Input |
GSA1 | Gain State A1 | GND | Signal Ground |
B Out | B Amplifier Output | A- In | A Amp Minus Input |
A Out | A Amplifier Output | A+ In | A Amp Plus Input |
* Worst case current availability - actual current availability may be greater
** Current availability is 3 mA max
The instrumentation amplifiers used are Texas Instruments/ Burr Brown PGA204 parts. The specifications for these parts can be obtained on Internet at:
http://www.ti.com/lit/ds/symlink/pga204.pdf
Typical applications for this unit include: SIGNAL CONDITIONER, THERMOCOUPLE AMPLIFIER, STRAIN GAUGE AMPLIFIER, DATA ACQUISITION APPLICATIONS, SIGNAL FILTER, AUDIO AMPLIFIER, MICROPHONE AMPLIFIER
For Technical Support Contact:
ELECTRONIC INNOVATIONS CORP
Email:jk@designcircuit.com
Declaration of Conformity
Manufacturers Name: LabJack Corporation
Manufacturers Address: 6900 West Jefferson Ave Suite 110, Lakewood, CO 80235 USA
Declares that the product
Product Name: EI-1040
Model Number: EI1040
conforms to the following Product Specifications:
EMC Directive: 89/336/EEC
EN 55011 Class A
EN 61326-1: General Requirements
EN 61000-4-2: 1995
EN 61000-4-3: 1995
and is marked with CE.