Appendix C - Enclosure and PCB Drawings [U6 Datasheet]
See below drawings of the U6.
The square holes on the back of the enclosure are for DIN rail mounting adapters (TE Connectivity part #TKAD).
CAD drawings of the U6 enclosure are attached to the bottom of this page. The free online Autodesk Viewer can be used to view these and make measurements among other things.



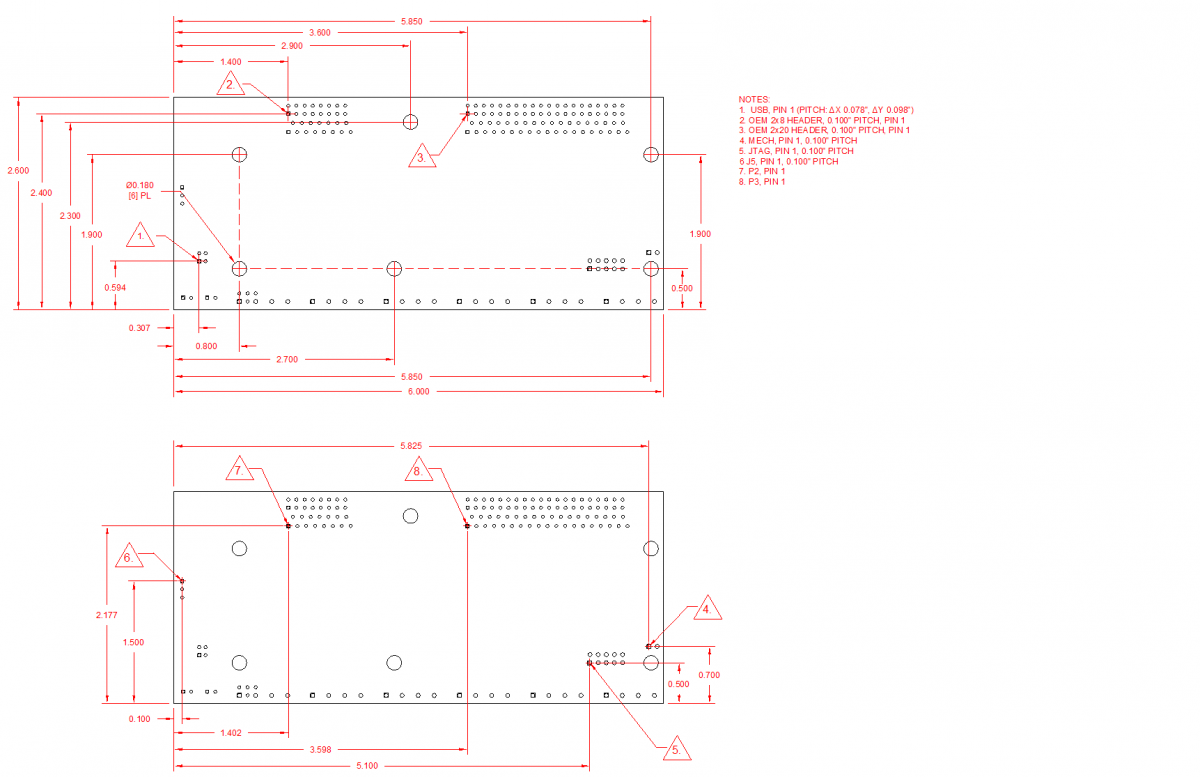
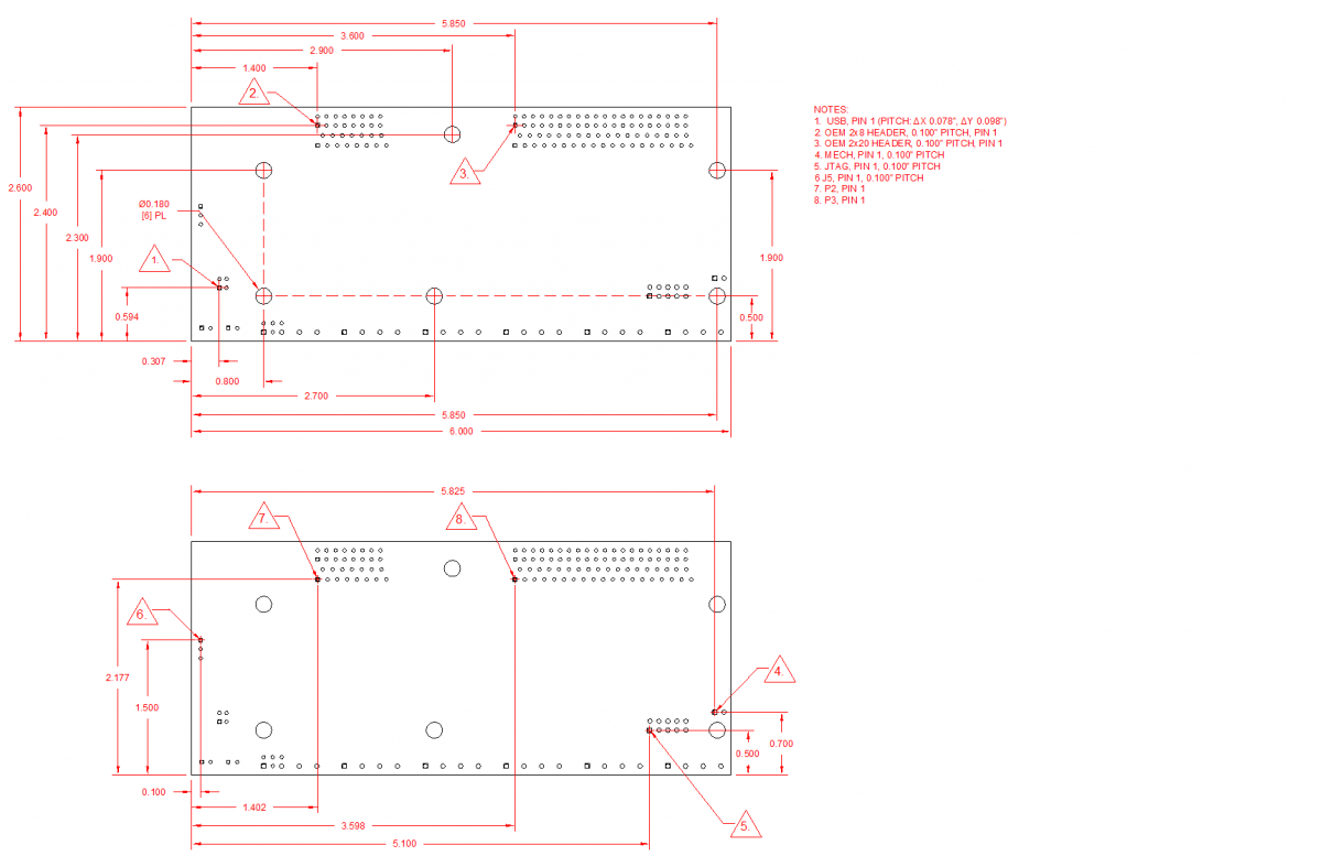
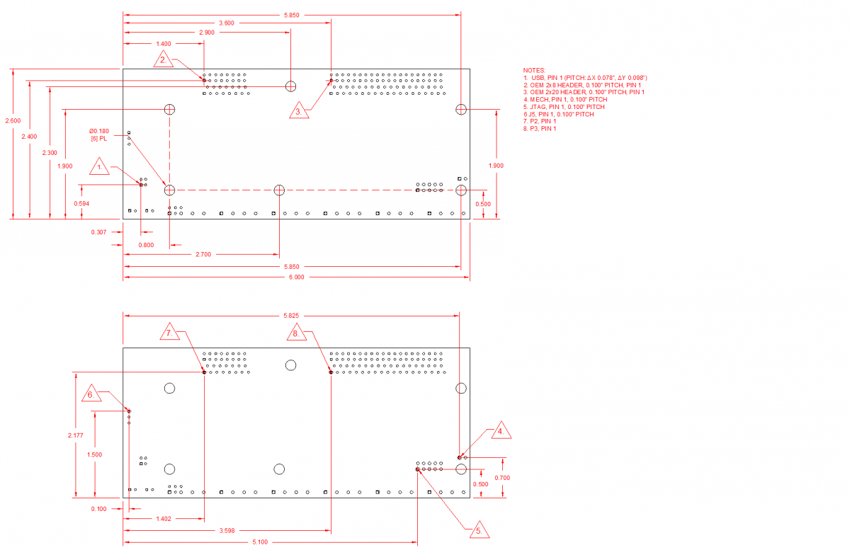
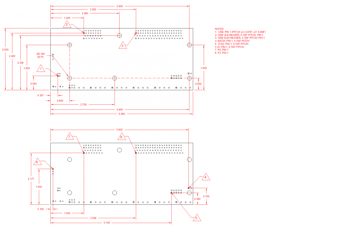
U6 OEM PCB Dimensions

More Details
See the OEM page for details on connector pin-headers, holes, power supply information, part options, and more.
Common neutral format CAD models are provided below. Right-click and select the "Save link as..." option to download STEP files.